︿
公司簡介
ABOUT US
產品專區
PRODUCTS
檔案下載
DOWNLOAD
聯絡我們
CONTACT
公司簡介
ABOUT US
產品專區
PRODUCTS
檔案下載
DOWNLOAD
聯絡我們
CONTACT
PRODUCTS
產品專區
Home
/
產品專區
/
直線軸承(心)
產品分類選單
ENTAK電動缸
ENTAK模組滑台
圓弧環形滑軌
手動微調台
ATAK精密滾珠型線性滑軌
微型電動平台
對位平台
機械手臂自動化整合
中空旋轉平台
微型滾珠導套及自潤軸承
鋁擠型
CPC
直線軸承(心)
軸心式滑軌
滾珠螺桿
TOSOK
支撐座、固定座
WON
PRODUCTS
ENTAK電動缸
ENTAK模組滑台
圓弧環形滑軌
手動微調台
ATAK精密滾珠型線性滑軌
微型電動平台
對位平台
機械手臂自動化整合
中空旋轉平台
微型滾珠導套及自潤軸承
鋁擠型
CPC
直線軸承(心)
軸心式滑軌
滾珠螺桿
TOSOK
支撐座、固定座
WON
鋁外座直線軸承
法蘭型直線軸承
標準式直線軸承
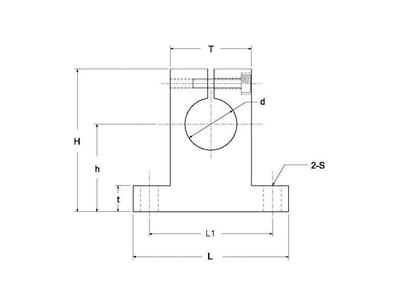
心軸
心軸支撐座
Copyright ©
詠鉅技研有限公司. All Right Reserved.Designed by
EBM